亿万28

静电纺丝机
当前位置: 首 页 > 产品展示 > 表面石墨烯结构碳材料 > 表面石墨烯结构多孔碳

表面石墨烯结构多孔碳

  • 所属分类:表面石墨烯结构碳材料
  • 浏览次数:0
  • 发布时间:2021-06-02 11:12:33
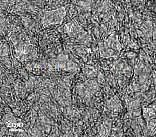
  • 产品概述

表面石墨烯结构多孔碳(SG02)

经特殊工艺制备,表面为小尺寸直立石墨烯,表面活性高,比表面积可达2000m2/g。用途:超级电容器、锂离子电池、吸附净化、催化剂和催化剂载体等。

1600221386210497.jpg

1600221386439275.jpg

1600221387353850.jpg

1600221387708570.jpg

标签

上一篇: 氮化硼纳米片微球 2021-06-02
下一篇: 石墨烯纳米纤维 2021-06-02

相关亿万28

var _hmt = _hmt || []; (function() { var hm = document.createElement("script"); hm.src = "https://hm.baidu.com/hm.js?7b865d55fe5c0ec0b6112a63f149052c"; var s = document.getElementsByTagName("script")[0]; s.parentNode.insertBefore(hm, s); })();